Best-Biochar
​​
文章详情
河流污水治理
来源: | 作者:bgdhzc | 发布时间: 2018-11-15 | 1215 次浏览 | 🔊 点击朗读正文 ❚❚ | 分享到:
河流污水治理
河流生活污水治理实施方案

〈1〉工程概况:
某河流主要是生活污水污染,水质发黑发臭,临近学生宿舍,学生不敢开窗户,水量为30000T/D。
〈2〉项 目:对河水除臭
〈3〉目 标:达到国家标准
〈4〉方 法:
用改性竹炭做成6道生物滤床,经过200米的距离、30分钟的时间的净化。
〈5〉处理现场:
河水由黑变清,臭气农烈变为无味,COD由500mg/l降到40mg/l以下,下游可以养鱼,水深 1米,清澈见底.

处理前

处理前                                                  处理中


处理中                                              处理中


处理后                                                   处理后
 


<6>生物改性竹炭对城市河道污水处理方案:

一、课题研究总结
1.1、技术方案:
   用微生物对竹炭进行改性,利用竹炭的特殊孔隙和吸附性能让微生物寄居在竹炭的表面和孔隙内,当污水和竹炭、微生物充分接触时,微生物即可将污水消化和分解成二氧化碳和水及无害物质,竹炭也能同时发挥净化污水的效果。
1.2、项目建成以后至2006年4月2日止,课题组组织力量对污水处理工程的水质进行了长达11个多月80多次的抽样监测。2005年11月24日的水质除自检外还同时送样至江苏省环境监测中心检测,两个单位检测的结果数据基本相同,说明我们的检测的设备、检测方法都是可信的。
1.3、这项技术可以在国内各大型企事业单位、居民小区及城镇的河道生活污水进行有效处理有一定的推广价值,与建设污水处理厂相比较,具有投资小,不占地,运行成本低等方面的优点。

二、课题研究报告
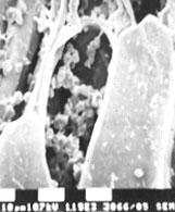
2.1、竹炭孔隙结构研究
竹炭的比表面积对竹炭的吸附作用有重要的影响,选用炭化温度为700℃时的竹炭来作电镜照片。

竹炭的横切图

炭化温度为700℃,
乌冈木木炭


荷木木炭

活性炭

图2-1 竹炭、木炭、活性炭的电镜结构图

从图2-1中可以看出:
竹炭的维管束、薄壁细胞、导管形成的孔隙结构来看,其形状非常类似并接近于由五元环和六元环所组成的富勒烯(C60)和展开的碳纳米管结构。竹炭所具有的接近于由五元环和六元环所组成特殊孔隙形状是目前人工所难以合成的。

2.2、生物菌的筛选和培养
2.2.1选用光合菌类、乳酸菌类、酵母菌类等三大菌群的10属80多种微生物通过发酵工艺进行混合培养,各微生物在生长过程中产生的有用物质及其分泌物形成相互生长的基质和原料,通过相互共生、增殖关系形成一个结构稳定、功能广泛的具有多种多样微生物群落的生物菌群。
2.2.2通过生物技术对菌种进行了筛选、驯化,选择有效的菌种,可以将各具功能的菌提取出来,并针对天然水体、市政污水、生活垃圾和养殖场等不同用途、环境组合最优菌种,采用微生物组合,可以在好氧和厌氧状态,甚至在多种污染源存在时发挥作用,提高其生物活性。
2.3、生物竹炭改性的方法
生物改性竹炭利用特定条件下烧制的具有发达中孔和大孔结构的竹炭为微生物菌群提供巨大而适宜的附着表面积,从而在生物量、生物多样性等方面大大加强系统降解有机污染物的能力和效率。
在研究中,将乳酸菌类、酵母菌类等微生物菌群和多孔性竹炭有机结合起来。从而在竹炭载体表面和内部形成一个结构稳定、功能广泛的具有多种多样微生物群落的生物菌群。


图2-2生物改性竹炭横切图


图2-3 生物改性竹炭纵切图
生物改性竹炭同步解决了有效微生物的寄居和营养问题,不仅具有极强吸附能力,还可以增加微生物和水体中污染物接触时间, 能够为微生物群落提供繁多而适宜的附着和寄居的涵孔并生成形态各异的生物膜,其展开表面积十分巨大,从而在生物量、生物多样性等方面大大加强系统降解有机污染物的能力和效率。

2.4 实验总结
用生物活性菌改性过的竹炭处理污水,处理后的水质指标均有较好的改善,并且化学需氧量、色度、浊度、余氯、悬浮物、生化需氧量均有很明显的效果。

COD去除率≥96%         色度去除率≥80%
浊度去除率≥60%         BOD5去除率≥70%
余氯去除率≈ 100%         悬浮物去除率≥86%

总体来说,用生物活性菌改性的竹炭处理污水,污水的各种污染物均有较好的改善。

2.5 研究结论
2.5.1、课题组进行了下列研究:
1.生物 改性竹炭制备工艺的研究及结构扫描电镜分析;
2.生物菌的筛选及培养;
3.生物菌与竹炭的负载技术研究;
4.生物改性竹炭对污水中浊度、色度、COD、BOD、总氮、余氯及氨氮等的去除性能研究;

2.5.2、课题研究主要创新点如下:
1.筛选并培养了适合于污水处理和负载到竹炭在上的微生物菌群;
2.利用竹炭所具有的发达孔隙结构和较大的比表面积,对竹炭进行生物改性,实现了竹炭自身吸附性能和微生物菌群强大污水净化能力的完美结合。

三、工程实施报告
3.1、项目概况
1.运用生物改性竹炭治理河道污水示范工程,选择某河流最严重的污染源—2#河段作为治理对象。

2.某河流2#河段全长120米,宽度3.5-6米,非汛期平均水位0.3-0.4米,平均底泥0.2米。其主要功能为生活污水、化粪池溢流污水以及学生食堂泔水池溢流污水。由于所纳污水水质十分恶劣,河道内水体严重变黑发臭。气温较高时, 河道污水散发的臭气弥漫整个学生宿舍区。污水进入某河流主河道后,将直接排入著名景观——玄武湖,造成了更大的污染。
3.某河流2#河段特点:
(1)水质湍急,流量大;
(2)入河污染口分散 ;
(3)源头污水波动大;
(4)水体污染程度恶劣。

3.2、技术对策
格栅型BCM生态床
双层结构,中间置放生物改性竹炭,外层格栅拦截生活垃圾等悬浮物,生物改性竹炭材料对水体上层、中层、下层进行全方位的物理渗滤和生物降噪处理。生物改性竹炭材料具有理想的透水性,可以十分有效的增加接触时间和接触率,提高污水的净化效果,该项技术属国内外首创。为解决污水流量波动大和冲击性负荷问题,其上部增加两层高效弹性生物填料。

图3-3 自动泄洪型跌水曝气装置
该设备具有以下三种功能:
(1)跌水曝气;
(2)河道水体驻留功能 ;
(3)自动泄洪功能。
BCM漂浮式曝气生态床
该型生态床针对某河流2#河道段污染源分散,且学生宿舍生活污水及化粪池溢流污水污染程度过分严重而特殊采用的技术对策。主要功能是增加曝气量和实现污水多次循环净化之目的。
为有效治理油腻性污水、洗涤性污水和高浓度的饭菜腐烂污水,我们在项目中添置了潜水曝气装置,放置在新的污染源口,采用中层水体逆向曝气,使污水滞留时间延长,含氧量增大,更有利于生物降解。
图3-5潜水式曝气装置
3.3、工程方案
3.3.1工程实施方案示意图

3.5、项目评价
3.5.1 生物改性竹炭在污水处理中的特殊功效
1、 持久有效的生物降解功能
电镜分析表明生物菌不仅布满了竹炭表面,而且渗透到竹炭内部孔隙。 既发挥出生物降解作用,也保证了竹炭的孔隙不被污染物堵塞,发挥出持久的吸附和降解作用。
2、 持久而有效的吸附异味的功能
BCM工艺运行后, 化粪池溢流水和城市生活污水的恶臭味基本消除。这种特殊功能,主要得益于专用竹炭经生物改性后,使改性竹炭对污染水体的吸附功能在污水中得以延续。
3.5.2 BCM与现有城市内河治污工程技术经济对照分析:

技术工程 主要特征 投资估算 运行费用
清污分流工程 常规污水处理技术,需建万吨级污水处理厂和市政工程配合 排污管网200万集中污水处理站1700万 按0.8万元/日计,年运行费用280万元左右
微生物投菌工程 对静态水体有一定效果,流动河水无效 40万元 投菌综合费用5000元/日,年运行费用20万元左右
水生植物浮床 水生植物在较重污染水体中无法生存,该技术在污染较重河道治理中逐渐被淘汰
BCM技术工程 利用河道就地治理,尤其适合城市内河流动污水,涵盖了现有治理技术中的有效成果 40万元 每年2万元左右
表3-1 技术经济分析对照表
3.6、BCM技术应用成果总结
1.BCM固定式和漂浮式生态床的设计和安装,成功解决了生物改性竹炭治理城市河道污水的实施难题,将生物技术、吸附渗滤技术和曝气充氧技术融为一体,并且适应河道流量波动,冲击性负荷和泄洪需要,成为一种可广泛应用到城市内河污染治理的创新装置。
2. 利用无动力自动泄洪闸,将沟内污水水位蓄积到1.6米左右,延长了污水滞留时间,为进一步延长生物改性竹炭中的有效生物菌与污水接触时间,有效降解污染物创造了良好条件。